Header Image

51245, IA Primghar, 680 2nd St NE

51245 in Primghar, IA features homes for sale in the Sale category, with Real Estate MLS # [MLS

$325,000

  • 3
  • 2
  • 1450
  • Active
Price Decreased

General Description

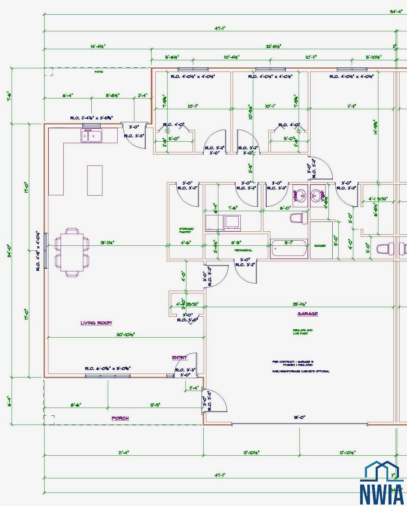
This is a great opportunity to get in early on the construction of a new duplex across the street from the Primghar Golf Course. Similar neighborhood units have always been in high demand and this one won't disappoint! This will make a great location for your new home. The east half of the duplex is already sold. A buyer of the west half, if they act soon, could have the opportunity to make some minor modifications of the interior layout to better suit their personal needs. The proposed layout, in the blueprints pictured here,  features 1450 square feet to include three bedrooms and two bathrooms. Buyers typically ask for an open floor plan and this duplex offers that between the living room, dining room and kitchen. The kitchen has a nice sized walk in pantry and extra space for an island. The laundry room is conveniently located close to the bathrooms and bedrooms. The size of this unit will accommodate a lot of people at various stages of their lives. As part of the purchase price, the seller has offered the following allowances for the buyer to apply to items of their personal choice. $15,000 allowance for kitchen cabinets, bathroom vanities, and countertops $350 allowance for landscaping shrubs or trees $375 allowance for mirrors and bathroom hardware $650 allowance for closet shelving, rods or organizers $500 allowance for light fixtures $10,000 allowance for floor coverings

Legal: RANDOLPH ESTATES ADD UNIT 1 OF PARCEL J OF LOT 20
Status: Active

Property Information

825125

$325,000

680 NE 2nd St

Surrounding Areas/Other Areas

Primghar

O’Brien

IA

Sale

Residential

Condominium

Ranch

Crawl Space

1450

2

Attached

488

2024

2

3

51245

LISTED BY

Northwest Realty, Dean Fjeld (712.348.4214)

PROPERTY LOCATION

MORTGAGE CALCULATOR


Similar listings

$275,000

Status: Active
260 Metcalf Ave., Primghar, IA 51245

  824344

 2

 2

  1,296


Listed by : ISB SERVICES INC, COREY ELGERSMA (712.348.1770)

$275,000

Status: Active
655 S McCormack Ave, Primghar, IA 51245

  830490

 2

 2

  1,069


Listed by : NORTHWEST REALTY, CECILY LUCAS (712.348.5058)
Rachel Carlson - REALTOR/OWNER, Pricing Strategy Advisor (PSA)

Rachel Carlson

REALTOR/OWNER, Pricing Strategy Advisor (PSA)

Ask About this Property #825125

Share


NEWSLETTER